औद्योगिक क्याबिनेट ढोका लकवितरण क्याबिनेट, सञ्चार क्याबिनेट, नियन्त्रण बक्स र अन्य उपकरणहरूको प्रमुख सुरक्षात्मक घटक हो, जुन आन्तरिक विद्युतीय घटकहरूको सुरक्षा र प्रणालीको स्थिर सञ्चालनसँग प्रत्यक्ष रूपमा सम्बन्धित छ।
विभिन्न परियोजनाहरूको लागि डेलिभरी समय र विशिष्टताहरूको विविध आवश्यकताहरू पूरा गर्नको लागि, हाम्रो कम्पनीसँग सधैं स्टकमा सामान्यतया प्रयोग हुने पाँच प्रकारका लकहरू छन् --लामो बार लक, प्यानल लक, रड नियन्त्रण लक, ह्यान्डल लक,रोटरी जिब्रो लक। एकै समयमा, हामी रेखाचित्र वा नमूनाहरू अनुसार अनुकूलित कुनै पनि गैर-मानक लक समर्थन गर्छौं, जुन सबै प्रकारका धातु वितरण बक्सहरूको लागि पूर्ण रूपमा उपयुक्त छ।
प्लेन लक औद्योगिक क्याबिनेट ढोका लकहरूको सबैभन्दा सामान्य प्रकारहरू मध्ये एक हो, दुबै सुन्दर र मर्मत गर्न सजिलो। हाम्रो कम्पनीले AB301, AB302, AB303, AB402, AB403 श्रृंखला प्लेन लक, संरचनात्मक बल, सुरक्षा प्रदर्शन र विभेदित डिजाइनको सञ्चालन अनुभूतिमा, वितरण बक्सको विभिन्न विशिष्टताहरू, क्याबिनेट स्थापना आवश्यकताहरू नियन्त्रण गर्न सक्छ।
| आयामहरू | उत्पादन नम्बर | |||||||
| L1 | L2 | L3 | B1 | B2 | खैरो क्रोम प्लेटिङ | खैरो स्प्रे पेन्ट | कालो पाउडर लेपित | वजन (g) |
| 147 | 117 | 72 | 33 | 26.5 | AB301-1-1.2 | AB301-1-1.8 | AB301 | 370 |
| 120.5 | 95.5 | 65 | 30 | 23.5 | AB301-2-1.2 | AB301-2-1.8 | AB302 | 290 |
| 87.5 | 62.5 | 65 | 28.5 | 23.5 | AB301-3-1.2 | AB301-3-1.8 | AB303 | 215 |
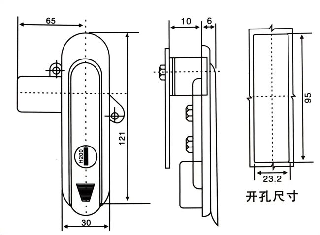
मुख्य सामग्री: जस्ता मिश्र धातु।
सतह उपचार: उज्यालो क्रोम, म्याट, कालो।
प्रकार्य र प्रयोग: बायाँ र दायाँ ढोका खोल्ने, प्रयोग गर्न सजिलो, सील र वाटरप्रूफ प्रकार्यको साथ महसुस गर्नुहोस्।
मुख्य सामग्री: जस्ता मिश्र धातु।
सतह उपचार: उज्यालो क्रोम, म्याट, कालो।
प्रकार्य र प्रयोग: बायाँ र दायाँ ढोका खोल्ने, प्रयोग गर्न सजिलो, सील र वाटरप्रूफ प्रकार्यको साथ महसुस गर्नुहोस्।
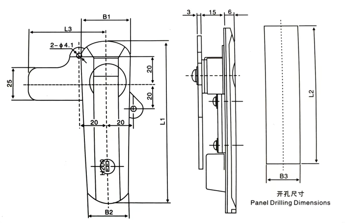
सामग्री: जस्ता मिश्र धातु लक शरीर, घुमाउने शाफ्ट, जस्ती इस्पात बोल्ट, दबाव प्लेट।
सतह उपचार: चाँदी ग्रे नैनो स्प्रे।
संरचना विवरण: खोल्न वा लक गर्न 90 डिग्री घुमाउनुहोस्।
| मोडेल | L1 | L2 | L3 | B1 | B2 | B3 |
| नयाँ AB402-A | 123 | 95.5 | 65 | 36.5 | 30 | 23.5 |
| नयाँ AB403-A | 91 | 62.5 | 65 | 33 | 28.5 | 23.5 |
| नयाँ AB401-A | 151 | 117 | 72 | 36 | 30 | 26.5 |
